KSU
Spis treści:
Opis produktu
Wentylatory osiowe, rewersyjne (dwukierunkowe), do ciągłej pracy w wysokich temperaturach, do + 105°C oraz wysokiej wilgotności powietrza. Zaprojektowane specjalnie do pracy w komorach suszarniczych, szczególnie w suszarniach drewna oraz innych procesach suszarniczych, gdzie wymagana jest naprzemienna dwukierunkowa praca wentylatorów. Wyposażone w nowoczesne łopatki o kształcie kielichowym zapewniające te same przepływy w obydwu kierunkach.
- Standardowy zakres średnic: 500 – 1000mm
- Zakres wydajności: 5400 – 81300m3/h
- Temperatury pracy: od -20 do +105°C
- Materiał wirnika: łopatki i piasta – aluminium odlewane ciśnieniowo
- Moce instalowanych silników: 0,55 – 11kW
- Obroty silników: 1500, 1000 min-1
- Silniki wyposażone w łożyska bezobsługowe
- Silniki w standardzie przystosowane do regulacji prędkości obrotowej za pomocą przemiennika częstotliwości
- Obudowy stalowe
- Zabezpieczone antykorozyjnie obudowy – malowanie proszkowe
Wykonania opcjonalne:
- Wysokotemperaturowe temp. max: 135°C (seria 135HT)
- Obudowa wykonana z blachy nierdzewnej
- Silniki wyposażone w smarowniczki
- Parametry przepływowe inne niż standardowe
- Moce instalowanych silników: do 22kW
Budowa
OBUDOWA
Silnik
Wirnik
- Spawana z aluminium o zoptymalizowanym kształcie wlotu/ wylotu
- Wyposażona w spawaną półkę silnika
- Wykonana z aluminium gwarantującego wysoką odporność na korozję
Wykonanie opcjonalne obudowy:
- Materiał: stal nierdzewna gat. 1.4301
- Malowane w kolorze z palety RAL
- Asynchroniczne 3 fazowe
- Napięcie zasilania: 3~ 230/400V; 400/690V
- Klasa izolacji: H
- Stopień ochrony: IP 55
- Korpus silnika z odlewu aluminiowego
- Wyposażone w łożyska bezobsługowe
Wykonanie opcjonalne silnika:
- Napięcie zasilania: 440V, 460V
- Częstotliwość zasilania: 60Hz
- Klasa sprawności: IE3, IE4
- Stopień ochrony: IP 56, IP 66
- Czujniki temperatury uzwojeń
- Łopatki i piasta – aluminium odlewane ciśnieniowo
- Specjalny kształt łopatki – kielichowy zapewnia wysokie sprawności i wydajności w obydwu kierunkach przepływu
- Wyważany dynamicznie w klasie G-6,3 zgodnie z ISO 1940-1
Dane techniczne
Specyfikacja
| Nr kat. |
Typ wentylatora |
Prędkość obrotowa [min -1] | Moc silnika [kW] | Prąd przy napięciu 3~400V [A] | Wydajność maksymalna [m3/h] | Maksymalne ciśnienie całkowite [Pa] | Poziom dzwięku [dB(A)]* | Waga [kg]** | |
|---|---|---|---|---|---|---|---|---|---|
| 1101 | KSU500/0,55/8/Al.rev | 1400 | 0,55 | 1,88 | 9000 | 120 | 77 | 17 |
|
| 1102 | KSU630/1,1/5/R/Al.rev | 1400 | 1,1 | 3,45 | 15500 | 150 | 79 | 26 |
|
| 1103 | KSU710/2,2/9/R/Al.rev | 1400 | 2,2 | 4,9 | 22500 | 250 | 80 | 38 |
|
| 1104 | KSU808/3,0/9/R/Al.rev | 1400 | 3,0 | 6,3 | 30500 | 250 | 81 | 39 |
|
| 1105 | KSU900/4,0/6/R/Al.rev | 1400 | 4,0 | 8,2 | 34900 | 230 | 83 | 68 |
|
| 1106 | KSU1000/5,5/8/R/Al.rev | 1400 | 5,5 | 11,5 | 48600 | 300 | 84 | 82 |
|
| 1107 | KSU1250/7,5/9/R/Al.rev | 960 | 7,5 | 15,3 | 74200 | 200 | 102 | 104 |
|
| 1108 | KSU1250/11,0/9/R/Al.rev | 960 | 11,0 | 21,9 | 81300 | 200 | 102 | 183 |
|
Charakterystyka
Wydajność
KSU500
KSU630
KSU710
KSU808
KSU900
KSU1000
KSU1250 7,5 kW
KSU1250 11,0 kW
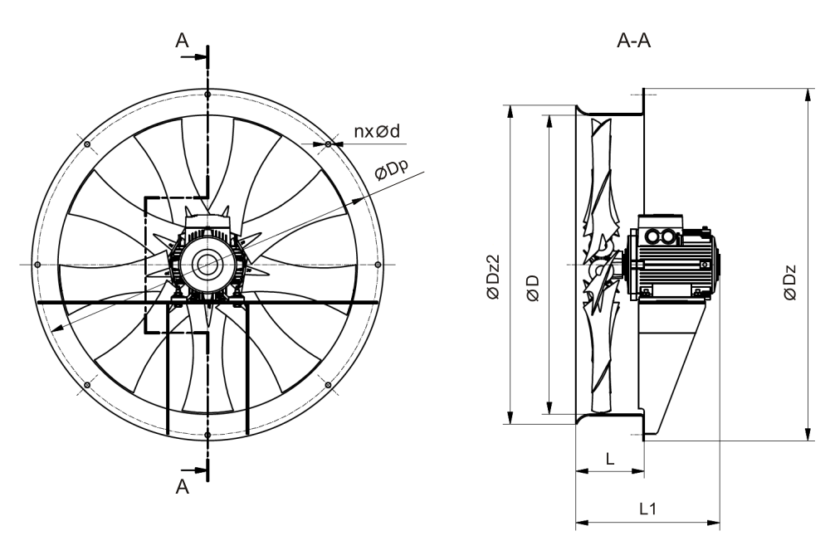
Wymiary
Wymiary
| Nr produktu | Typ wentylatora | ØD | ØDz2 | ØDp | ØDz | L | L1* | n x Ød |
|---|---|---|---|---|---|---|---|---|
| 1101 | KSU500/0,55/8/Al.rev | 500 | 553 | 610 | 640 | 185 | ~343 | 8xØ12 |
| 1102 | KSU630/1,1/5/R/Al.rev | 630 | 683 | 760 | 818 | 195 | ~365 | 8xØ12 |
| 1103 | KSU710/2,2/9/R/Al.rev | 710 | 763 | 860 | 898 | 195 | ~390 | 8xØ12 |
| 1104 | KSU808/3,0/9/R/Al.rev | 808 | 861 | 960 | 996 | 235 | ~430 | 8xØ14 |
| 1105 | KSU900/4,0/6/R/Al.rev | 890 | 943 | 1040 | 1078 | 235 | ~410 | 8xØ14 |
| 1106 | KSU1000/5,5/8/R/Al.rev | 985 | 1038 | 1115 | 1173 | 235 | ~440 | 8xØ14 |
| 1107 | KSU1250/7,5/9/R/Al.rev | 1250 | 1263 | 1350 | 1390 | 235 | ~457 | 8xØ14 |
| 1108 | KSU1250/11,0/9/R/Al.rev | 1250 | 1263 | 1350 | 1390 | 235 | ~457 | 8xØ14 |
Panel klienta





