KSA
Spis treści:
Opis produktu
Wentylatory osiowe, rewersyjne (dwukierunkowe), zaprojektowane w celu przetłaczania większych ilości powietrza niż seria KSU lub KSBF. Produkowane są standardowo w średnicach Ø1000mm, Ø1250 i Ø1400mm.
- Standardowy zakres średnic: Ø1000 – 1400mm
- Zakres wydajności: 38900 – 120900m3/h
- Temperatury pracy: od -20 do +105°C
- Materiał wirnika: łopatki i piasta – aluminium odlewane ciśnieniowo
- Moce instalowanych silników: 0,55 – 11kW
- Obroty silników: 1500, 1000 min-1
- Silniki wyposażone w łożyska bezobsługowe
- Silniki w standardzie przystosowane do regulacji prędkości obrotowej za pomocą przemiennika częstotliwości
- Obudowy stalowe
- Zabezpieczone antykorozyjnie obudowy – malowanie proszkowe
Wykonania opcjonalne:
- Średnica maksymalna: Ø2150mm
- Wysokotemperaturowe temp. max: 135°C (seria 135HT),
- Obudowa wykonana z blachy nierdzewnej
- Silniki wyposażone w smarowniczki
- Parametry przepływowe inne niż standardowe
- Moce instalowanych silników: do 37kW
Budowa
OBUDOWA
Silnik
Wirnik
- Spawana z aluminium o zoptymalizowanym kształcie wlotu/ wylotu
- Wyposażona w spawaną półkę silnika
- Wykonana z aluminium gwarantującego wysoką odporność na korozję
Wykonanie opcjonalne obudowy:
- Materiał: stal nierdzewna gat. 1.4301
- Malowane w kolorze z palety RAL
- Asynchroniczne 3 fazowe
- Napięcie zasilania: 3~ 230/400V; 400/690V
- Klasa izolacji: H
- Stopień ochrony: IP 55
- Korpus silnika z odlewu aluminiowego
- Wyposażone w łożyska bezobsługowe
Wykonanie opcjonalne silnika:
- Napięcie zasilania: 440V, 460V
- Częstotliwość zasilania: 60Hz
- Klasa sprawności: IE3, IE4
- Stopień ochrony: IP 56, IP 66
- Czujniki temperatury uzwojeń
- Łopatki i piasta – aluminium odlewane ciśnieniowo
- Specjalny kształt łopatki zapewnia wysokie sprawności i wydajności w obydwu kierunkach przepływu
- Wyważany dynamicznie w klasie G-6,3 zgodnie z ISO 1940-1
Dane techniczne
Specyfikacja
| Nr kat. |
Typ wentylatora |
Prędkość obrotowa [min -1] | Moc silnika [kW] | Prąd przy napięciu 3~400V [A] | Wydajność maksymalna [m3/h] | Maksymalne ciśnienie całkowite [Pa] | SPL ± dB(A) | Waga [kg]** | |
|---|---|---|---|---|---|---|---|---|---|
| 1201 | KSA1000/4,0-4/(RA4)/4 | 1500 | 4,0 | 8,2 | 38900 | 406 | 88 | 69 |
|
| 1202 | KSA1000/5,5-4/(RA4)/4 | 1500 | 5,5 | 11,3 | 45000 | 393 | 88 | 83 |
|
| 1203 | KSA1000/7,5-4/(RA4)/4 | 1500 | 7,5 | 14,7 | 52500 | 396 | 89 | 90 |
|
| 1204 | KSA1000/5,5-4/(RA4)/6 | 1500 | 5,5 | 11,3 | 39570 | 575 | 89 | 86 |
|
| 1205 | KSA1000/7,5-4/(RA4)/6 | 1500 | 7,5 | 14,7 | 47370 | 529 | 90 | 93 |
|
| 1206 | KSA1000/11,0-4/(RA4)/6 | 1500 | 11,0 | 21 | 57800 | 561 | 92 | 10 |
|
| 1207 | KSA1250/5,5-6/(RA4)/6 | 1000 | 5,5 | 12,1 | 59500 | 344 | 84 | 113 |
|
| 1208 | KSA1250/7,5-6/(RA4)/6 | 1000 | 7,5 | 16,8 | 69000 | 341 | 85 | 140 |
|
| 1209 | KSA1250/11,0-6/(RA4)/6 | 1000 | 11,0 | 23,5 | 84500 | 291 | 86 | 156 |
|
| 1210 | KSA1250/18,5-4/(RA4)/6 1500 | 1500 | 18,5 | 35 | 89500 | 784 | 91 | 190 |
|
| 1211 | KSA1250/22,0-4/(RA4)/6 | 1500 | 22,0 | 41,5 | 99500 | 764 | 92 | 205 |
|
| 1212 | KSA1250/30,0-4/(RA4)/6 | 1500 | 30,0 | 56 | 116700 | 738 | 94 | 245 |
|
| 1213 | KSA1400/7,5-6/(RA4)/6 | 1000 | 7,5 | 16,8 | 74000 | 372 | 87 | 130 |
|
| 1214 | KSA1400/11,0-6/(RA4)/6 | 1000 | 11,0 | 23,5 | 96500 | 361 | 88 | 159 |
|
| 1215 | KSA1400/15,0-6/(RA4)/6 | 1000 | 15,0 | 31 | 107000 | 357 | 90 | 200 |
|
| 1216 | KSA1400/18,5-6/(RA4)/6 1000 | 18,5 | 36 | 120900 | 289 | 91 | 229 |
|
Charakterystyka
Wydajność
KSA 1000
KSA 1250
KSA 1400
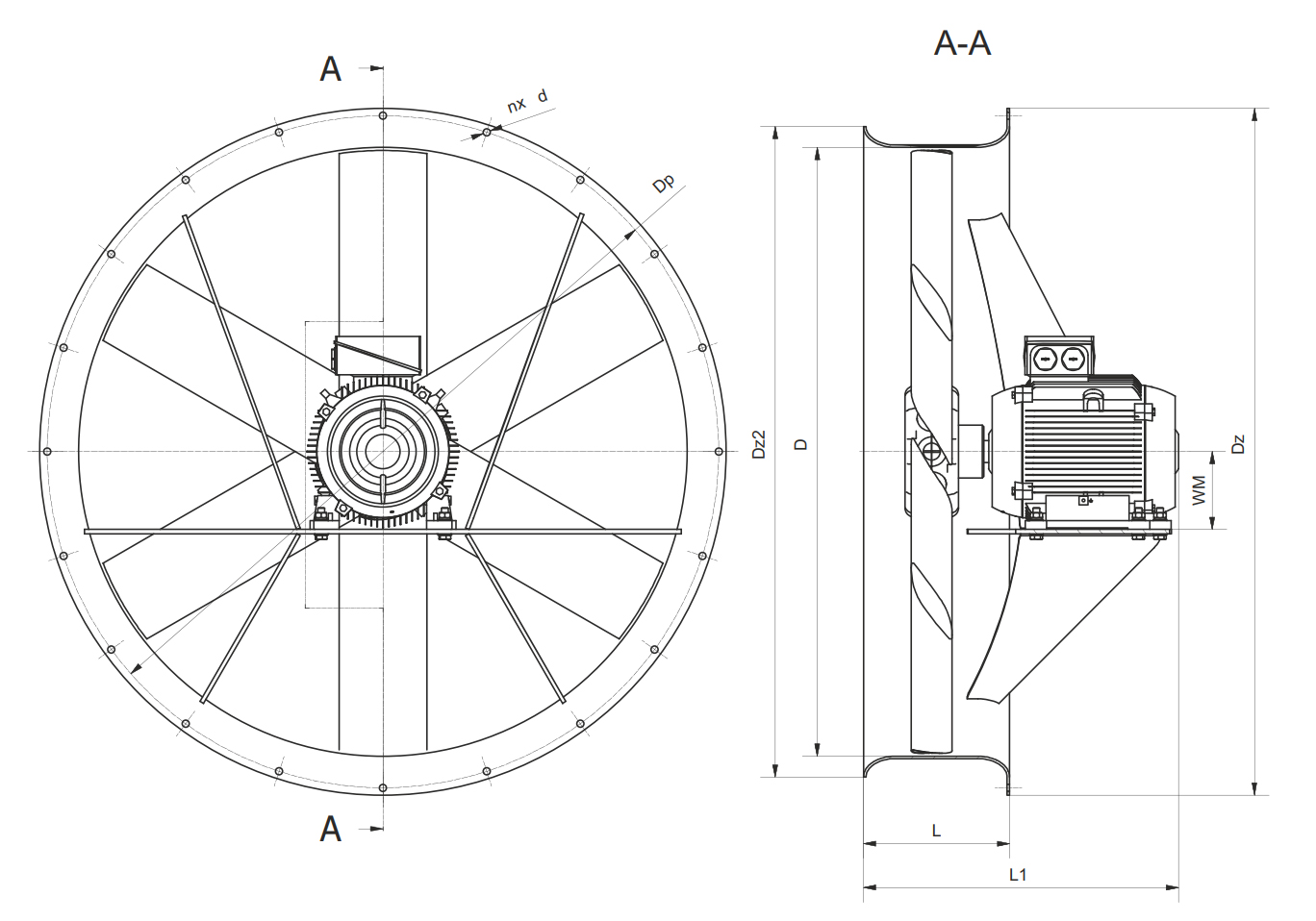
Wymiary
Wymiary
| Nr produktu | Typ wentylatora | ØD | ØDz2 | ØDp | ØDz | L | L1 | n x ØD |
|---|---|---|---|---|---|---|---|---|
| 1201 | KSA1000/4,0-4/(RA4)/4 | 1000 | 1076 | 1130 | 1160 | 280 | 438 | 16xØ12 |
| 1202 | KSA1000/5,5-4/(RA4)/4 | 1000 | 1076 | 1130 | 1160 | 280 | 508 | 16xØ12 |
| 1203 | KSA1000/7,5-4/(RA4)/4 | 1000 | 1076 | 1130 | 1160 | 280 | 508 | 16xØ12 |
| 1204 | KSA1000/5,5-4/(RA4)/6 | 1000 | 1076 | 1130 | 1160 | 280 | 508 | 16xØ12 |
| 1205 | KSA1000/7,5-4/(RA4)/6 | 1000 | 1076 | 1130 | 1160 | 280 | 508 | 16xØ12 |
| 1206 | KSA1000/11,0-4/(RA4)/6 1000 | 1000 | 1076 | 1130 | 1160 | 280 | 558 | 16xØ12 |
| 1207 | KSA1250/5,5-6/(RA4)/6 | 1250 | 1326 | 1380 | 1410 | 300 | 515 | 20xØ14 |
| 1208 | KSA1250/7,5-6/(RA4)/6 | 1250 | 1326 | 1380 | 1410 | 300 | 647 | 20xØ14 |
| 1209 | KSA1250/11,0-6/(RA4)/6 | 1250 | 1326 | 1380 | 1410 | 300 | 647 | 20xØ14 |
| 1210 | KSA1250/18,5-4/(RA4)/6 | 1250 | 1326 | 1380 | 1410 | 300 | 728 | 20xØ14 |
| 1211 | KSA1250/22,0-4/(RA4)/6 | 1250 | 1326 | 1380 | 1410 | 320 | 730 | 20xØ14 |
| 1212 | KSA1250/30,0-4/(RA4)/6 | 1250 | 1326 | 1380 | 1410 | 320 | 780 | 20xØ14 |
| 1213 | KSA1400/7,5-6/(RA4)/6 | 1400 | 1476 | 1530 | 1570 | 300 | 647 | 20xØ14 |
| 1214 | KSA1400/11,0-6/(RA4)/6 | 1400 | 1476 | 1530 | 1570 | 300 | 647 | 20xØ14 |
| 1215 | KSA1400/15,0-6/(RA4)/6 | 1400 | 1476 | 1530 | 1570 | 320 | 730 | 20xØ14 |
| 1216 | KSA1400/18,5-6/(RA4)/6 | 1400 | 1476 | 1530 | 1570 | 320 | 780 | 20xØ14 |
Wysokość wentylatora zależy od jego figury.
Wysokość w tabeli podano dla wybranych figur.
Wymiary pozostałych figur dostępne na zapytanie.
Panel klienta





